欢迎访问天津法吉尔液压科技有限公司官网 !
天津法吉尔液压科技有限公司
Morning-afternoon
09:00-18:00
感谢您的来电咨询
18944666663
网站首页
关于我们
产品展示
液压设备及元件
新闻中心
在线留言
联系我们
液压设备及元件
液压设备及元件
○ 法吉尔液压阀
方向阀
压力阀
流量阀/附件
比例阀
二通插装阀
○ 液压泵马达
○ 法吉尔液压
○ 液压成套设备
当前位置:
首页
>
液压设备及元件
>
比例阀
>
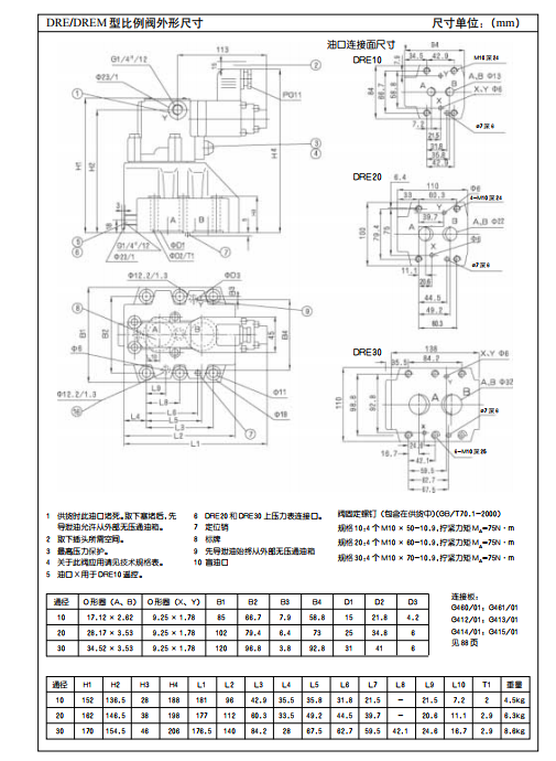
72.DRE,DREM型先导式比例减压阀
72.DRE,DREM型先导式比例减压阀
发布时间:2022-05-16 17:29 来源:比例阀 浏览次数:
上一篇:
上一篇:
热门产品
WOD-711长效防锈油
2022-05-16
了解更多 >>
WOD-757高效防锈剂
2022-05-16
了解更多 >>
WOD-740强力防锈涂层
2022-05-16
了解更多 >>
内涨式套装拉马
2022-05-16
了解更多 >>
100、200吨车载液压拉马
2022-05-16
了解更多 >>
50吨车载液压拉马
2022-05-16
了解更多 >>
分享好友
公司地址
天津北辰区北辰科技园小淀分园滦水西路74号
联系电话
18944666663